产品中心
12kV 户内高压交流接地开关
GPJN15A-12

产品描述
概述
本产品为装配式新一代产品,其性能符合GB1985-2004《高压交流隔离器和接地开关》及IEC62271- 102:2002标准的要求。本产品适用于3- 12kv三相交流、50(60)Hz的电力系统;具有闭合短路能力,保护电气设备不受损坏,适用于高压开关柜布置时作为检修时的接地保护装置。
使用条件
周围环境温度:上限+45°C,下限-25°C。
海拔高度不超过1000m。
相对湿度:日平均≤ 95%,月平均≤ 90%。
地震强度:≤8度。
订购注意事项
订购接地开关时,应注明产品型号、额定电压、相距、热稳定电流、有无指示装置。(如有必要,请指定指示器型号)。
柔性连接长度是否需要延长(标准L=600mm)。
如有特殊要求,请与绿力公司联系制定详细规格。
技术参数
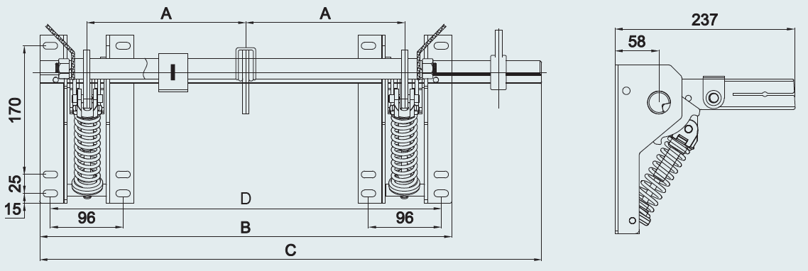
图纸
接地开关布局及安装尺寸

静触头外形尺寸






