40.5kV开关柜接地开关联锁装置
36KV (40.5kV )接地开关操作机构联锁装置5GP.362.011
36kV(40.5kV) 导轨活门机构5GP.320.031 (柜宽1200mm/1400mm
接地母线/ 8GP.588.006
36KV (40.5kV ) 接地开关操作机构联锁装置5GP.362.012
40.5kV 金属限位导轨8GP.201.150
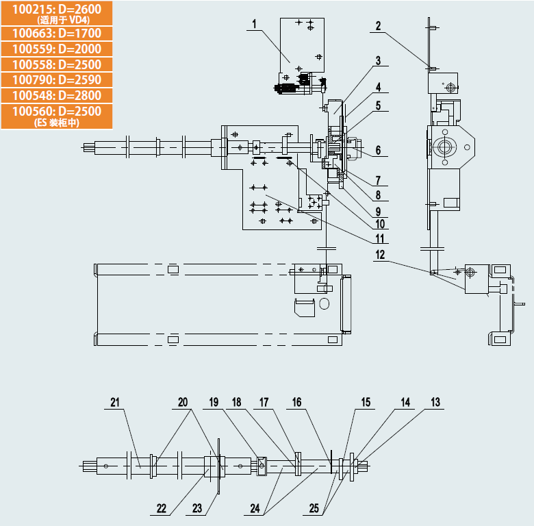
锥齿轮操作机构
预定注意事项
明确机机构操作的轴向左操作或右操作方向操作方式。
如有特殊要求,请与绿力公司联系制定详细规格。

手动操作
1. GPL-40.5锥齿轮机构用于手动操作GPJN22-40.5/31.5室内高压接地开关,适用于GPN1-40.5开关柜等类似设备。
2. 操作轴的旋转角度为270°:90°(开-关)。
3.操作机构如图所示,右操作的闭合中心线为操作机构的轴线,左操作将在工厂进行逆向装配。用户可将其组装在左侧,如图所示。
4. 在机构的V形轴孔中安装接地开关主轴。机械装置与机柜固定时应注意:
a)运转旋转轴线装置时,小锥齿轮应啮合在3-4号位置的大锥齿轮齿上,否则将导致无法达到旋转角的要求。
b)方芯连杆与用户孔钻2- Φ 8的连接套相匹配,前机柜操作手柄选择最佳作业位置。
c)建议选择Φ 16x700单杆操作手柄,操作力度合适。
5. 接地开关可配用1NO 1NC或2NO 2NC微动开关(无微动开关的普通型)作为开合状态指示和电气控制。










